《數控車床》與《車銑復合》培訓

1.CAD看圖與繪圖班
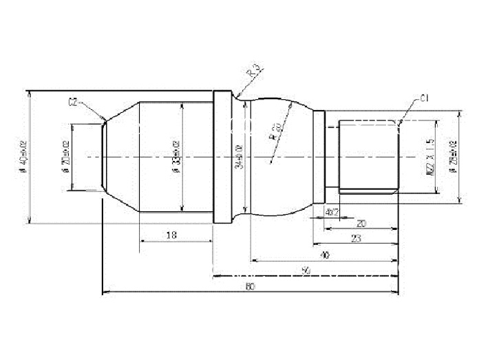
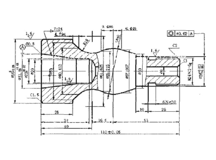
各種零件圖的看法,各種2D零件圖的繪制與技巧、標注、打印與游標卡尺的使用方法以及工廠各行業設計繪制技巧講解。
學習時間:20天
2.手工編程班
學習數控原理,
數控系統知識,
數控加工工藝,
數控車床(廣數、新代、西門子、法那克、三菱多種系統)操作技術,
手工編程技術,
計算程序中的交點,
切點坐標值,
機床電器,
故障診斷與維護,
數學方式以實踐操作為主,
采用現場教學,
手把手的教,理論聯系實際,學生親手操作,
以培養實用性人為原則。
學習時間:30天
3.《軟件車床》與《車銑復合》班
MasterCAM 或 UG 軟件
一、《產品零件設計班》:軟件的靈活運用,各種零件繪圖與設計。 學習時間:20天
二、《車床編程》,軟件車床功的靈活運用。 學習時間:20天
三、《車銑復合編程班》,軟件車與銑功能的熟練運用。 學習時間:30天






















《數控車床》與《車銑復合》培訓

1.CAD看圖與繪圖班
各種零件圖的看法,各種2D零件圖的繪制與技巧、標注、打印與游標卡尺的使用方法以及工廠各行業設計繪制技巧講解。
學習時間:20天
2.手工編程班
學習數控原理,
數控系統知識,
數控加工工藝,
數控車床(廣數、新代、西門子、法那克、三菱多種系統)操作技術,
手工編程技術,
計算程序中的交點,
切點坐標值,
機床電器,
故障診斷與維護,
數學方式以實踐操作為主,
采用現場教學,
手把手的教,理論聯系實際,學生親手操作,
以培養實用性人為原則。
學習時間:30天
3.《軟件車床》與《車銑復合》班
MasterCAM 或 UG 軟件
一、《產品零件設計班》:軟件的靈活運用,各種零件繪圖與設計。 學習時間:20天
二、《車床編程》,軟件車床功的靈活運用。 學習時間:20天
三、《車銑復合編程班》,軟件車與銑功能的熟練運用。 學習時間:30天





















